GM GML-M810 là module cân hoàn chỉnh tích hợp loadcell dạng shear beam (dòng GML-X8 F/B), được thiết kế để đơn giản hóa việc lắp đặt và nâng cao độ ổn định cho các hệ thống cân công nghiệp như cân bồn, cân silo, cân phễu và cân định lượng.
Khác với việc sử dụng loadcell rời, GML-M810 là giải pháp module hóa, bao gồm đầy đủ các thành phần cơ khí như: đế, gối đỡ, cơ cấu chống lật và chống quá tải. Điều này giúp hệ thống cân vận hành ổn định hơn, giảm sai số do lắp đặt và hạn chế rủi ro hư hỏng thiết bị.
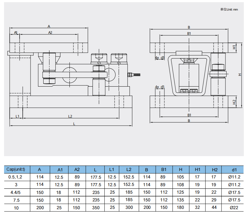
Theo tài liệu kỹ thuật, module được thiết kế với tiêu chí lắp đặt gọn, dễ triển khai, đồng thời tích hợp cơ chế chống quá tải và chống lật, giúp bảo vệ loadcell trong quá trình vận hành thực tế .
Sản phẩm hỗ trợ cả vật liệu thép hợp kim và inox, phù hợp với nhiều môi trường khác nhau, từ công nghiệp nặng đến ngành thực phẩm.
Đặc điểm nổi bật
GML-M810 mang lại giải pháp cân tối ưu cho doanh nghiệp:
- Tích hợp loadcell shear beam (GML-X8 F/B Series)
- Thiết kế dạng module hoàn chỉnh, dễ lắp đặt
- Có cơ cấu chống quá tải và chống lật
- Đảm bảo độ ổn định cơ học cao
- Phù hợp hệ thống cân tĩnh và cân online
- Tùy chọn vật liệu inox hoặc thép hợp kim
- Hỗ trợ analog & digital
Ứng dụng thực tế
Module cân GML-M810 được sử dụng rộng rãi trong:
- Cân bồn (tank weighing)
- Cân silo chứa vật liệu
- Cân phễu
- Hệ thống định lượng
- Ngành thực phẩm, hóa chất, xi măng
Ưu điểm khi sử dụng module cân
So với việc lắp loadcell rời, GML-M810 mang lại nhiều lợi ích:
- Giảm sai số do lắp đặt không chuẩn
- Tăng độ ổn định hệ thống cân
- Bảo vệ loadcell khỏi quá tải và lực ngang
- Rút ngắn thời gian thi công
- Tăng tuổi thọ thiết bị
Đây là giải pháp tối ưu cho doanh nghiệp cần hệ thống cân chính xác – bền – dễ triển khai.
LIÊN HỆ ASTEC CÂN ĐIỆN TỬ
📍 ASTEC CÂN ĐIỆN TỬ
🌐 Website: www.asteccandientu.vn | www.candientuastec.vn
📞 Hotline: 0397 154 084
📧 Email: candientu@astecgroup.vn













